Experiment Name: - Study on Raschel Warp knitting machine.
Introduction:
The warp knitting machine is a knitting m/c where the loops are formed
in course wise direction and the fabric produced is in open width form.
In Tricot warp knitting m/c compound needles are used. The warp yarns
are feed to the needles through guide bars using shogging and swinging
motion.
Objectives:
* To identify with Raschel Warp knitting machine.
* To know the machine specification.
* To learn the feature of this machine.
* To know the different parts of this machine.
* To know the machine mechanism.
* To learn the knitting actions of this machine.
Main parts:
* Guide
* Needle bar
* Sinker
* Front of machine
* Trick plate
* Fabric
Machine description:
Their chain links are usually numbered in even numbers, 0, 2, 4, 6 etc.,
generally with two links per course. Raschel sinkers perform only the
function of holding down the loops whilst the needles rise. They are not
joined together by a lead across their ends nearest to the needle bar
so they can move away clear of the needles, towards the back of the
machine, for the rest of the knitting cycle. The needle trick plate
verge acts as a fabric support ledge and knock-over surface.
The fabric is drawn downwards from the needles, almost parallel to the
needle bar, at an angle of 120–160 degrees, by a series of take-down
rollers. This creates a high take-up tension, particularly suitable for
open fabric structures such as laces and nets.
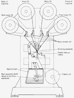
The warp beams are arranged above the needle bar, centered over the rocker shaft, so that warp sheets pass down to the guide bars on either side of it. The beams are placed above the machine so that it is accessible at the front for fabric inspection and at the back for mechanical attention to the knitting elements. The guide bars are threaded, commencing with the middle bars and working outwards from either side of the rocker-shaft. They are numbered from the front of the machine.
With the raschel arrangement, there is accommodation for at least four 32-inch diameter beams or large numbers of small diameter pattern bars. The accessibility of the raschel machine, it’s simple knitting action, and its strong and efficient take-down tension make it particularly suitable for the production of coarse gauge open-work structures employing pillar stitch, inlay lapping variations and partly threaded guide bars. These are difficult to knit and hold down with the tricot arrangement of sinkers. Additional warp threads may be supplied at the selvedges to ensure that these needles knit fabric overlaps, otherwise a progressive press-off of loops may occur.
Features of raschel machine:
1. Raschel machines originally had a gauge expressed in needles per 2 inches (5 cm), so that, for example a 36-gauge raschel would have eighteen needles per inch. Now, the standard E gauge (needles per inch) is generally used.
2. There is a wide gauge range, from E1 to E32.
3. Their chain links are usually numbered in even numbers, 0, 2, 4, 6….etc.
4. Generally with two links per coarse.
5. Raschel sinkers are performing only the function of holding down the loops whilst the needles rise.
6. Sinkers are not joined together by a lead across their ends nearest to the needle bar so they can move away clear of the needles, towards the back of the machine, for the rest of the knitting cycle.
7. The needle trick plate verge acts as a fabric support ledge and knock over surface.
8. The fabric is drawn downwards from the needles, almost parallel to the needle bar, at an angle of 120-160 degrees, by a series of takedown rollers. This creates s high take-up tension, particularly suitable for open fabric structure such as laces and nets.
9. The warp beam is arranged above the needle bar, centered over the rocker shaft, so that warp sheet pass down to the guide bar on either side of it.
10. The beam is placed above the machines so that it is accessible at the front for fabric inspection and at the back for mechanical attention to the knitting elements.
11. The guide bars are threaded, commencing with the middle bars and working outwards from either side of the rocker shaft. They are numbered from the front of the machine.
12. With the raschel arrangement, there is accommodation for at least four 32-inch diameter beams or large numbers of small diameter pattern bars.
13. The accessibility of this machine, it’s simple knitting action, and its strong and efficient take-down tension make it particularly suitable for the production of coarse gauge open work structures employing pillar stitch , inlay lapping Variations and partly threaded guide bars, these are difficult to knit and hold down with the tricot arrangement of sinkers.
14. Additional warp threads may be supplied at the selvedges to ensure that these needles knit fabric overlaps, otherwise, a progressive press off of loops may occur.



No comments:
Post a Comment